Самовывоз
Забрать в магазине бесплатноДоставка
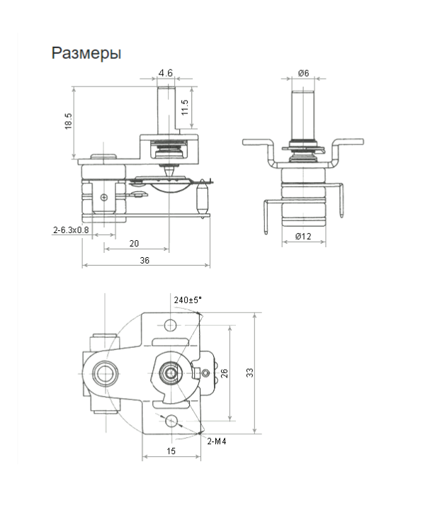
Доставить на дом завтра и позжеТермостат биметаллический регулируемый KST201B 10A 250VAC 170C
Биметаллический регулируемый термостат KST201B с диапазоном регулирования +20…+170°С. Нормально-замкнутые контакты – при достижении установленной температуры контакты размыкаются. Номинальный ток через контакты – 10 ампер при 250В АС.
Технические характеристики
Номинальное напряжение:
250 В, 50 Гц
Номинальный ток (при cos φ=1):
10A
Диэлектрическая прочность изоляции:
При испытательном напряжении 2000В, ток утечки равен 5 мА
Угол поворота вала (оперативный угол):
240±5°
Температура размыкания контакта при максимальном угле поворота вала 240°:
170±5°С
Дифференциал:
8…10°C
Похожие товары
Терморегулятор биметаллический KST220-2-16A-1033B 90°C 16А/250В
Биметаллический регулируемый термостат с диапазоном регулирования 0…+90°С. Нормально-замкнутые контакты – при достижении установленной температуры контакты размыкаются. Вращение вала – (270±5)°. Номинальный ток через контакты – 16A при 250В АС. Является аналогом термостата KST021-2-16A-1033B. Технические характеристики: Номинальная нагрузка на контакты: 16А/250В, 50Гц Контакты: нормально замкнутые (1НЗ) Электрическая прочность изоляции: при испытательном напряжении 2000В, ток утечки равен […]
Термостат 10гр-90гр 250V капилляр 980мм WTH423UN (Италия)
Термостат t10/90*C 250V, длина капилляр. трубки 980мм (Италия)
Термоограничитель капиллярный 35 гр 16А 4-х контактный
Термоограничитель капиллярный 35 гр 16А 4-х контактный
Выключатель безопасности KW3-0Z-K2
Выключатель KW3-OZ-K2 предназначен для защиты мобильного электрооборудования от опрокидывания. Номинальный ток через контакты – 16A/250В АС. Технические характеристики: Материал корпуса – ПБТ ( PBT) UL 94 V-0 Материал исполнительного механизма – Полиформальдегид (POM) UL 94-HB Материал выводов Tab250 – CuZn37 Материал контактов – AgCdO/Cu Номинальный ток согласно TUV CE – 16(6).
Термостат для обогревателя KDT-200 250/125V 16A
Термостат для обогревателя KDT-200 250/125V 16A
Термостат регулируемый KST278 от 0 до +250гр
Термостат регулируемый KST278 от 0 до +250гр Подходит на всевозможные обогреватели а также электроплитки















